Produk

Vtz -12 1250 pemutus sirkuit vakum
2. Nilai arus: 1250a
3. Mekanisme Operasi: Mekanisme Operasi Modular .
4. Metode instalasi: Pusat yang dipasang di tengah atau kabinet tetap .
4. kompatibel kabinet: kompatibel dengan kyn 28-12 switchgear, xgn -12 kabinet tetap, hxgn -12 unit utama seri .
5. kepatuhan produk dengan standar: gb/t 1984-2014, gb/t 11022-2011.
6. keuntungan produk: e 2- c 2- m2 kinerja, pemeliharaan yang nyaman, kinerja konduktivitas tinggi, rentang aplikasi yang luas, dan mendukung kustomisasi cerdas .
Vtz -12 1250 pemutus sirkuit vakum (model khusus Tongzhong Electrical Co ., ltd .) adalah switchgear indoor untuk voltage yang di dalamnya, 1250A, AC 50/60Hz . ini diadopsi ACODA ACOMA AC 50/60Hz. diadopsi ACODA ACOMA AC 50/60Hz {7} IT IT OPERATIS AC 50/60Hz. diadopsi ACODA ACOMA AC 50/60Hz {7} IT IT OPERATIS AC 50/60Hz {7} IT IT OPERATIS AC 50/60Hz. diadopsi AC 50/60HZ Sebagai peralatan jaringan listrik . dapat digunakan sebagai unit genggam untuk digunakan dengan kyn28a -12 switchgear, atau sebagai unit tetap dengan interlocking mekanis yang relevan, sehingga cocok untuk XGN2 dan kabinet tetap lainnya.
Spesifikasi produk
Spesifikasi SHEET
|
No . |
Nama |
Satuan |
Data |
|
1 |
Tegangan Dinilai |
kv |
12 |
|
2 |
Frekuensi nilai |
Hz |
50/60 |
|
3 |
DinilaiCUrrent |
A |
1250 |
|
4 |
DinilaiPowerFpersyaratanWIThstandVoltage |
kv |
48 (melintasi celah kontak) / 42 (ke tanah) |
|
5 |
DinilaiLightningImpulseWIThstandVoltage |
kv |
75 |
|
6 |
DinilaiShort-CircuitBberteriakCUrrent |
ka |
25/31.5/40/50 |
|
7 |
Dinilai Short-CircuitMakingCurrent (Peak) |
ka |
63/80/100/125 |
|
8 |
DinilaiWIThstandCurrent (Peak) |
ka |
63/80/100/125 |
|
9 |
DinilaiDurasiShort-Circuit |
s |
4 |
|
10 |
BeroperasiCycles atRatedShort-CircuitBberteriakCUrrent |
Siklus |
E2 |
|
11 |
MekanisEndurance |
Kali |
30000 |
|
12 |
Operasi StandarSekuensi |
- |
O -0.3 s-co -180 s-co |
|
13 |
Diizinkan WtelingaTHickness ofContact |
mm |
Kurang dari atau sama dengan 3 |
MekanisCHAGACTERISTIK
|
No . |
Nama |
Satuan |
Data |
|
1 |
Izin antaraDipindahkan dan diperbaiki Contact |
mm |
9±1 |
|
2 |
KontakOvertravel |
mm |
3.5±0.5 |
|
3 |
Rata-rataCkekalahanSkencing |
m/s |
0.7±0.2 |
|
4 |
Rata-rataOPeningSkencing (AVerageSkencingpembukaan pertamapada6mm) |
m/s |
1.1±0.2 |
|
5 |
DinilaiContact Tekanan |
N |
2500±200N(25ka) 3100±200N(31.5ka) 4800±300N(40ka) 6000±500N(50ka) |
|
6 |
Waktu penutupan |
MS |
30-70 |
|
7 |
Waktu pembukaan |
MS |
20-50 |
|
8 |
KontakBouncingDurasi diCkekalahanOperation |
MS |
Kurang dari atau sama dengan 2 |
|
9 |
No-simultanitas dariPenutupan/OPening Operasidari 3-PHASE |
MS |
Kurang dari atau sama dengan 2 |
Keuntungan Produk
Vtz -12 1250 pemutus sirkuit vakum memiliki banyak keunggulan:
Kinerja pemutus sirkuit:
E2-C2-M2
Pemeliharaan yang nyaman:
Desain mekanisme modular memungkinkan untuk penggantian yang mudah dari kumparan penutupan dan pembukaan tanpa perlu membongkar komponen lain . Ini menghilangkan kebutuhan untuk pengujian atau penyesuaian setelah penggantian, memastikan pengguna menggantikannya secara mandiri, membuat pemeliharaan berikutnya lebih nyaman .
Kinerja konduktivitas tinggi:
Produk ini memiliki sirkuit konduktif yang dirancang dengan baik yang memenuhi 1 . 1 kali level kenaikan suhu arus yang dinilai.
Rentang aplikasi yang luas:
Seri Produk memiliki rentang aplikasi yang luas, arus pengenal dari 630A hingga 5000A, dan arus pemecah peringkat dari 20ka hingga 50ka . cocok untuk semua lingkungan dalam ketinggian 4500 meter dan suhu operasi dari {{{{6} derajat hingga 40 derajat.}
Mendukung Kustomisasi Cerdas:
A . dapat menambahkan solusi pemantauan suhu nirkabel dengan desain bertenaga mandiri untuk memastikan operasi bebas keselamatan dan perawatan .
b . Ini memiliki solusi pemantauan karakteristik mekanis untuk memberikan pemantauan data operasi pemutus sirkuit secara real-time untuk deteksi dini dan resolusi masalah potensial .
c . Ini memiliki solusi entri kabinet bermotor untuk memungkinkan operasi jarak jauh untuk memastikan keselamatan pribadi .
d . penuaan komponen real-time dapat dideteksi dengan pengujian pelepasan parsial .
Aplikasi produk
Gambar garis besar produk

Gambar 1: Garis besar dimensi menggambar tipe yang dapat ditarik

Gambar 2: Garis Besar Gambar Dimensi Tipe Tetap (630-1600 a)

Gambar 3: Garis besar gambar dimensi dari tipe tetap (2000-4000 a)
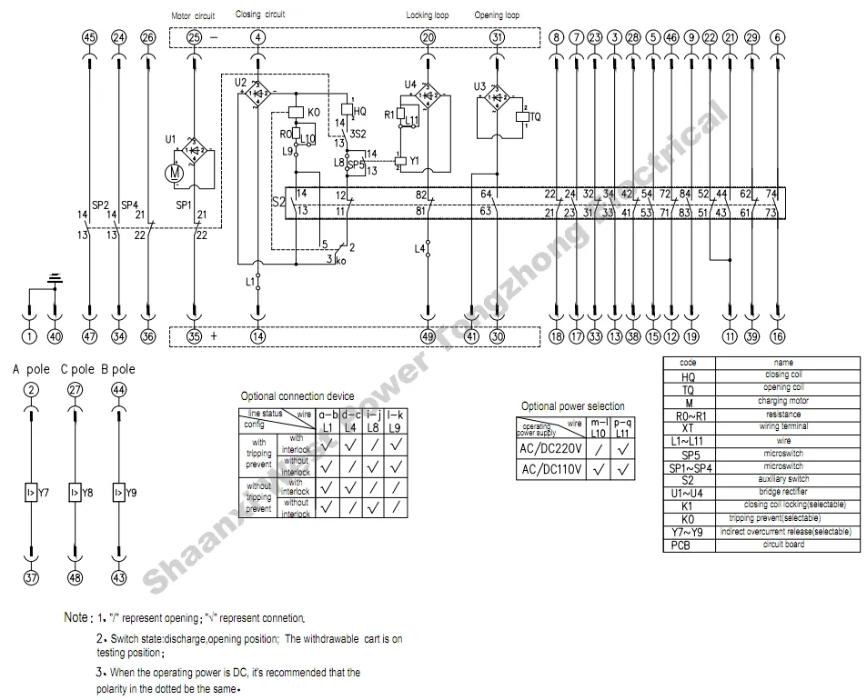
Diagram Pengkabelan Sekunder

Gambar 4: Diagram kabel sekunder dari jenis yang dapat ditarik

Gambar 5: Diagram kabel sekunder dari jenis tetap
Tag populer: vtz -12 1250 pemutus sirkuit vakum, China vtz -12 1250 Produsen pemutus sirkuit vakum, pemasok, pabrik
-
VTZ/CS-12 Pemutus Sirkuit Vakum dengan Mekanisme Pengoper...Lihat lebih> -
VTZ-17.5 Pemutus Sirkuit VakumLihat lebih> -
ZN39-40.5 Pemutus Sirkuit VakumLihat lebih> -
Pemutus sirkuit vakum 12kV dengan mekanisme operasi lateralLihat lebih> -
Vs 1-12 630 pemutus sirkuit vakum dengan mekanisme operas...Lihat lebih> -
Vs 1-24 pemutus sirkuit vakum dengan mekanisme operasi la...Lihat lebih>







