Produk

VS1-24 Pemutus Sirkuit Vakum
2. Mekanisme Operasi: Mekanisme Operasi Pegas.
3. Metode Pemasangan: Gerobak tangan yang dipasang di tengah atau kabinet tetap.
4. Kabinet yang Kompatibel: Kompatibel dengan switchgear seri KYN28-24, kabinet tetap XGN.
5. Kepatuhan Produk terhadap Standar: GB/T1984-2014, GB/T11022-2011.
6. Keunggulan Produk: Kinerja E2-C2-M2, stabilitas dan keandalan, kinerja isolasi yang sangat baik, dan beragam aplikasi.
Pemutus sirkuit vakum VS1-24 adalah peralatan dalam ruangan untuk tegangan pengenal 24kV, AC tiga fase 50Hz. Sangat cocok untuk melindungi dan mengendalikan peralatan listrik di perusahaan industri dan pertambangan, pembangkit listrik, dan gardu induk. Jenis pemutus sirkuit ini sesuai dengan standar nasional dan standar IEC, dengan tingkat kinerja mencapai M2-E2-C2.
Pemutus sirkuit dilengkapi silinder berinsulasi komposit, operasi penyimpanan energi pegas, dan penggerak sekrup. Hal ini ditandai dengan ukurannya yang kompak dan pengoperasian yang andal. Selain itu, dapat dengan mudah disesuaikan dengan switchgear, memenuhi persyaratan "Lima Pencegahan" switchgear.
Spesifikasi Produk
SpesifikasiShee
|
TIDAK. |
Nama |
Satuan |
Data |
|
1 |
Nilai Tegangan |
persegi panjang |
24 |
|
2 |
Frekuensi yang Dinilai |
Hz |
50/60 |
|
3 |
DinilaiCterkini |
A |
630/1250/1600/2000/2500/3150/4000 |
|
4 |
DinilaiPhutang FkebutuhanWitu berdiriVusia lanjut |
persegi panjang |
65 |
|
5 |
DinilaiLmalamIimpulsWitu berdiriVusia lanjut |
persegi panjang |
125 |
|
6 |
DinilaiSpendek-CsirkuitBbereaksiCterkini |
ka |
25/31.5/40 |
|
7 |
Dinilai Spendek-CsirkuitMbekerjaCterkini (Pmakan) |
ka |
63/80/100 |
|
8 |
DinilaiWitu berdiriCterkini (Pmakan) |
ka |
63/80/100 |
|
9 |
DinilaiDurat dariSpendek-Csirkuit |
s |
4 |
|
10 |
BeroperasiCberputar diRmakanSpendek-CsirkuitBbereaksiCterkini |
Siklus |
E2 |
|
11 |
MekanisEdaya tahan |
Kali |
10000 |
|
12 |
Standar OperasionalSurutan |
- |
O-0.3s-CO-180s-CO O-180s-CO-180s-CO |
|
13 |
Diizinkan WtelingaTketebalan dariCkontak |
Mm |
Kurang dari atau sama dengan 3 |
MekanisCkarakteristik
|
TIDAK. |
Nama |
Satuan |
Data |
|
1 |
Izin antaraDipindahkan dan Diperbaiki Ckontak |
Mm |
12±1 |
|
2 |
KontakPerjalanan berlebihan |
Mm |
3.5±0.5 |
|
3 |
Rata-rataCkekalahanSpipis |
m/s |
0.7±0.2 |
|
4 |
Rata-rataOpeningSpipis (Arata-rataSpipisPembukaan Pertamapada6mm) |
m/s |
1.2±0.3 |
|
5 |
DinilaiCkontak Tekanan |
N |
3100±200N(25kA/31,5kA) 4800±300N(40kA) |
|
6 |
Waktu penutupan |
MS |
35-70 |
|
7 |
Waktu Pembukaan |
MS |
20-50 |
|
8 |
KontakBmencengangkanDurat diCkekalahanOkinerja |
MS |
Kurang dari atau sama dengan3 |
|
9 |
Tidak-Sketidaksamaan dariPenutupan/OPening Operasidari 3-PHase |
MS |
Kurang dari atau sama dengan 2 |
Keunggulan Produk
VS1-24 pemutus sirkuit vakum memiliki banyak keunggulan:
Kinerja pemutus sirkuit
E2-C2-M2
Stabilitas dan keandalan
Ini mengadopsi mekanisme operasi pegas terintegrasi rangka paling matang, dengan lebih dari 20 tahun pengalaman penggunaan pasar, memastikan keamanan, keandalan, dan pengakuan pasar yang tinggi.
Kinerja isolasi yang sangat baik
Sirkuit konduktif utama mengadopsi silinder berinsulasi komposit resin epoksi berkekuatan tinggi APG, yang melebihi standar IEC dalam hal kinerja insulasi.
Berbagai macam aplikasi
Sangat cocok untuk sistem distribusi 24kV, dan dapat digunakan di 10kV dan semua lingkungan di bawah ketinggian 4500 meter, mencakup suhu pengoperasian dari -40 derajat hingga 40 derajat.
Aplikasi Produk
VS1-24 pemutus sirkuit vakum memiliki banyak aplikasi:
Gambar Garis Besar Produk

Gambar 1: Gambar Garis Besar Tipe yang Dapat Ditarik (arus terukur Kurang dari atau sama dengan 1600A)
|
Nilai Saat Ini (A) |
630 | 1250 | 1600 |
|
Nilai Arus Pemutusan Hubungan Pendek (kA) |
25; 31.5 | ||
|
Dimensi Kontak Tetap yang Cocok (mm) D |
φ35 |
φ49 |
φ55 |

Gambar 2: Gambar Garis Besar Tipe yang Dapat Ditarik (arus terukur 2000A~3150A)
|
Nilai Saat Ini (A) |
2000 | 2500 | 3150 |
|
Nilai Arus Pemutusan Hubungan Pendek (kA) |
25; 31.5 | ||
|
Dimensi Kontak Tetap yang Cocok (mm) D |
φ79 |
φ109 |
φ109 |

Gambar 3: Gambar Garis Besar Tipe Tetap (arus terukur Kurang dari atau sama dengan 1600A)
|
Nilai Saat Ini (A) |
630 | 1250 | 1600 |
|
Nilai Arus Pemutusan Hubungan Pendek (kA) |
25; 31.5 | ||

Gambar 4: Gambar Garis Besar Tipe Tetap (arus terukur 2000A~3150A)
|
Nilai Saat Ini (A) |
2000 | 2500 | 3150 |
|
Nilai Arus Pemutusan Hubungan Pendek (kA) |
25; 31.5 | ||
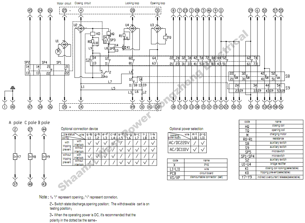
Diagram Pengkabelan Sekunder

Gambar 5: Diagram Pengkabelan Sekunder Tipe yang Dapat Ditarik

Gambar 6: Diagram Pengkabelan Sekunder Tipe Tetap
Tag populer: vs1-24 pemutus sirkuit vakum, Cina vs1-24 produsen, pemasok, pabrik pemutus sirkuit vakum







